GN 7404-NI
GN 7404
Two-Way Breathable Membranes
78711-R,20
78710-R,10
78712-R,50
orGN 300-30-B5-SW;60
GN 612-5-M12x1,5-A;40
DIN 172-B10,5-20-A;50
ISO 8675-M8x1-04-BT;10
78711-R,20
78710-R,10
78712-R,50
orGN 300-30-B5-SW;60
GN 612-5-M12x1,5-A;40
DIN 172-B10,5-20-A;50
ISO 8675-M8x1-04-BT;10
Body
Membrane
Non-woven nylon material / Acrylic copolymer wetting
Membrane enclosure
Plastic (Polyamide PA)
Protective strainer
Stainless steel AISI 304
Seal / O-Ring
Rubber NBR (Perbunan®)
GN 7404 two-way breathable membranes are used when constructing housings and equipment. When installed in the wall of a housing, they can be used to equalize the pressure between the interior of the housing and the surrounding area.
Any dirt, dust, oil, or water in the gaseous medium is kept out. This prevents dirt and moisture from entering the interior of the housing and prevents oil from dripping into the surrounding area.
In order to protect the membranes, they should not be completely covered with oil or water, and the differential pressure/air permeability volume should not be exceeded. They should be installed on the side/vertically in a protected position.
The external Ø of the housing with the recessed hexagon is designed for tapped plates for DIN 3852 tube fittings.
The seal is embedded in a recess on the planar side. This prevents it from being lost and squeezed outwards during the tightening process.
Assembly instruction: For mounting on walls of less than 4 mm thickness please use mounting nuts GN 7430.
The membranes use a non-woven nylon material as a substrate with a completely unordered structure. The minuscule pores of the membrane are created by fully saturating the fibers with an acrylic copolymer, which does not fill the gaps in the material.
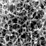
The material and process parameters affect the size of the pores during manufacturing, which can be between 0.2 and 10 µm. Porometry can be used to determine the quality of the membrane. This is a rating procedure which assesses, among other things, the distribution of the sizes of the membrane pores and air permeability. A microscopic image of the cross-section of a membrane is shown here.
For comparison: The minimum mesh width of a filter manufactured using economically viable methods is 50 µm.
Membrane, microscopic images, 2000x magnification
The membranes repel oil and water because of their materials and surface structure. This prevents water and oil droplets from completely suffusing the membrane surface. These properties are supported by installing the membrane on the side in a vertical position.
If the membrane is covered in exceptional circumstances, small quantities of oil or water can be pushed through the membrane due to the pressure differential. Once the situation has been rectified, the oil and water will drip off and the membrane will be fully functional.
The maximum air permeability volume, the maximum pressure differential, and the maximum rated/burst pressure are all important when using membranes. There is a linear correlation between the air permeability volume which can be achieved and the differential pressure, which should not exceed 1 bar.
Thermal - The membrane enclosure may not be used in temperatures exceeding 100 °C. The membrane itself can resist temperatures of up to 150 °C.
Chemical - The membranes are resistant to a wide range of chemical substances frequently used in mechanical and automotive engineering, e.g., oils, fuels, organic solvents, and alcohols. A tolerability test should be performed if you have any doubts.
Your request was sent and will be answered as fast as possible.